参数特点
额定量程:6bar,10bar,20bar,50bar,100bar,120bar,150bar
精度:0.25%. 0.5%.1%
型号:SDG-2501
产品描述 : SDG-2501注浆压力变送器测量端采用高精度,高稳定性扩散硅芯体作为变送器的感压芯片,配以多种特色放大电路,选用特殊处理坚固的膜片,特种金属及工艺制成,精湛的力学传递结构设计,被测介质中坚硬砂粒不会损坏隔离平膜片,可适用于多种恶劣的工作环境。产品全封焊结构,产品结构紧凑、耐腐蚀,抗震动、抗坚硬砂粒冲击、宽范围温度补偿。可替代同类进口产品
应用领域 :泥浆测量、盾构机械、装载机、液压机械、制砖机械 。
产品特点
1.特色的放大电路
2.结构齐全,多种信号输出
3.采用特殊钢材、平膜结构性价比高
4.结构紧凑、耐腐蚀、且稳定性好
5.316L全不锈钢材质、防堵塞结构设计
6.防震性好、搞冲击力强、搞磨损性好
7.可高精度测量

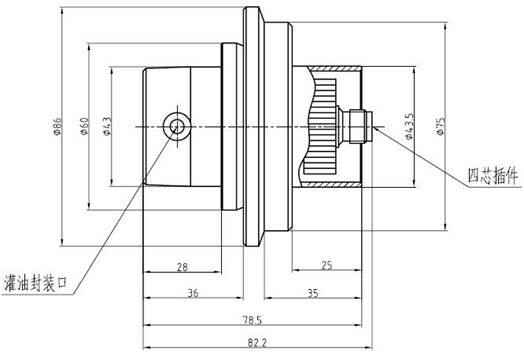
外形尺寸:
